ÇEK’Lİ HIZ AYAR VALFİ
Çek’li hız ayar valfleri; hidrolik sistemlerde akış hızını tek yönde kontrol ederken, diğer yönde serbest geçiş sağlayan kompakt bir ayar elemanıdır. Silindir hız kontrolünde sıkça kullanılır.

Açıklama
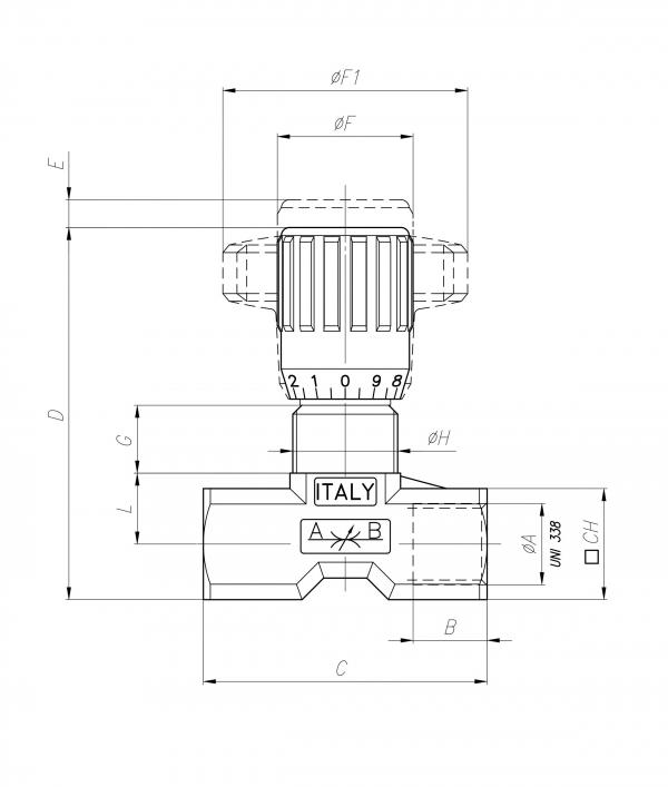
Çek’li hız ayar valfleri, hidrolik devrelerde bir akış hattının hızını hassas bir şekilde sınırlamak için kullanılan, içinde tek yönlü çalışan dahili bir çekvalf bulunan ayar vanası tipleridir. Akış yalnızca ayarlanan yönde kısılar; ters yönde ise çekvalf devreye girerek akışın serbest ve kayıpsız geçişini sağlar. Bu özellik, özellikle çift etkili silindir uygulamalarında iniş veya kalkış hızının kontrol edilmesi gereken hidrolik sistemlerde büyük avantaj sağlar. Kompakt gövde yapısı, kolay montaj imkânı ve hassas ayar vidası sayesinde akış kontrolünde yüksek doğruluk sunar. Genellikle endüstriyel hidrolik makinelerde, iş makinelerinde, tarım ekipmanlarında ve tüm hız kontrolü gereken hidrolik devrelerde güvenilir bir çözüm olarak tercih edilir.








Değerlendirmeler
Henüz değerlendirme yapılmadı.