ÇEKSİZ HIZ AYAR VALFİ
Çeksiz hız ayar valfleri, hidrolik ve akışkan sistemlerde akışın her iki yönde de hassas şekilde ayarlanmasını sağlayan kontrol elemanlarıdır. Yağ dışındaki akışkanlarla da kullanılabilen yapıları sayesinde su, gaz ve farklı sıvı uygulamaları için uygundur.

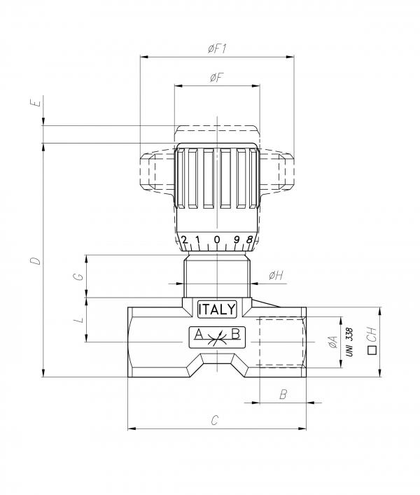
Açıklama
Çeksiz hız ayar valfleri, akışkanın yönünden bağımsız olarak iki yönde de akış düzenlemesine imkân tanıyan hassas kontrol valfleridir. İç yapılarında çekvalf bulunmadığı için, akış her iki yönde de ayarlanan değere göre kontrollü şekilde sınırlandırılır. Bu özellik, özellikle simetrik hız kontrolü gereken uygulamalarda büyük avantaj sağlar.Bu valfler yalnızca hidrolik yağ ile değil; su, gaz ve çeşitli endüstriyel sıvılar gibi farklı akışkanlarla çalışmaya uygun özel malzemelerden üretilir. Demirli malzemelerin kullanılamadığı ortamlarda veya korozyon riski bulunan uygulamalarda güvenle tercih edilir. Çalışma basıncının 210 barı aşmadığı sistemlerde, daha yüksek basınçlı alternatif valflere etkili bir çözüm sunar.Çeksiz hız ayar valfleri, hassas akış kontrolü sağlayan iğne mekanizması, verimli metal-metal sızdırmazlık yapısı ve kolay ayarlanabilir tasarımıyla öne çıkar. Ayar iğnesinin istenmeyen şekilde çıkmasını önleyen emniyet yapısı ve kilitleme vidası sayesinde ayarlanan debi değeri sabitlenebilir. Ayrıca isteğe bağlı panel montaj imkânı sunan kilit somunu seçenekleri ile farklı montaj ihtiyaçlarına uyum sağlar.Endüstriyel proses hatları, kimya tesisleri, akış kontrol sistemleri ve özel mühendislik uygulamalarında çeksiz hız ayar valfleri, güvenilir ve hassas bir akış kontrol çözümü olarak yaygın şekilde kullanılmaktadır.








Değerlendirmeler
Henüz değerlendirme yapılmadı.